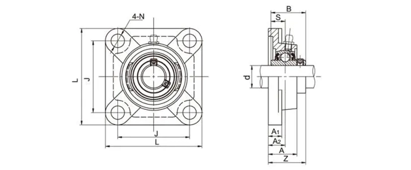
UCFX12-39 Flange Bearing Units 4 Bolt Bearing Housing
Dimensions (mm)L187J149A234A121A59N19B65.1S25.4Z73.7
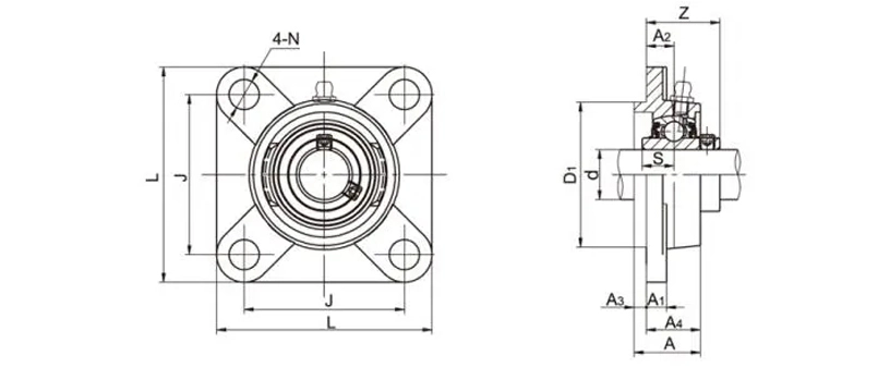
UCFS315-48 Flange Bearing Units 4 Bolt Bearing Housing
Dimensions (mm)L236J184A221A148A66H18H125N25D1200S32Z71
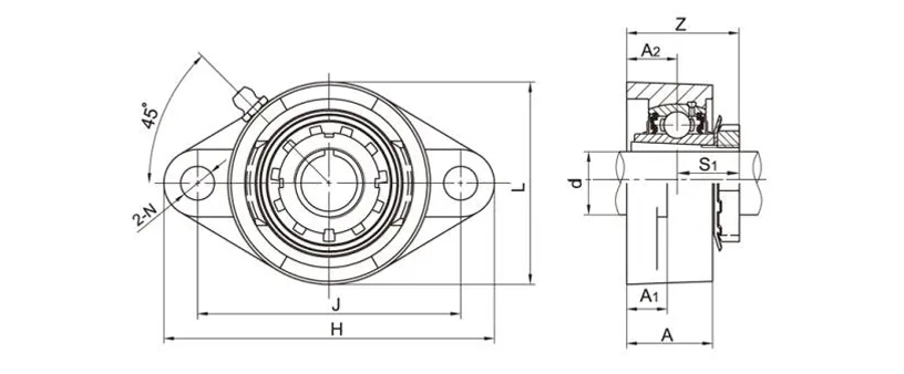
NAFS210 Flange Bearing Units 4 Bolt Bearing Housing
Dimensions (mm)L143J111A228A120A45N18B162.7S24.6Z66.1
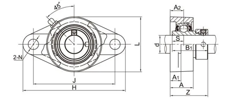
UCFL210-30 Flange Bearing Units 2 Bolt Bearing Housing
Dimensions(mm)H197J157A222A116A40N19L115B51.6S19Z54.6A360
NAFL209-28 Flange Bearing Units 2-Bolt Bearing Housing
Dimensions (mm)H188J148A222A116A38N19L108B156.3S21.4Z56.9F60
UEFL212-39 Flange Bearing Units 2 Bolt Bearing Housing
Dimensions(mm)H250J202A229A118A48N23L140B166.6S25.4Z70.2
UKFL216+HE2316 Flange Bearing Units 2 Bolt Bearing Housing
Dimensions (mm)H290J233A234A122A58N25L180S139Z73
NAFLU210 Flange Bearing Units 2 Bolt Bearing Housing
Dimensions (mm)H190J157L114A228A120A45N18B162.7S24.6Z66.1
UCFT210-31 Flange Bearing Units 2 Bolt Bearing Housing
Dimensions (mm)H189J157.2A222.2A114A40N16L116B51.6s19z54.8
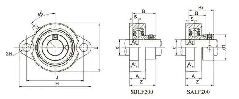
SALF204-12 Flange Bearing Units 2 Bolt Bearing Housing
Dimensions(mm)H90J71.5A211A111A20N10L61B131B21.5s7Z35d133.3
SAFW204-12 Flange Bearing Units 2 Bolt Bearing Housing
Dimensions(mm)H90J71A29.5A17N9L67B131B21.5S7Z33.5
SAFD205 Flange Bearing Units 2 Bolt Bearing Housing
Dimensions(mm)H95J76A29.5A17.5N9L71B131.5B22S7.5Z33.5
SAPFTD206 Flange Bearing Units 2 Bolt Bearing Housing
Dimensions (mm)H113J90.5L79A211.5A22A111.5N10.3s9B23.8B135.7Z38.2
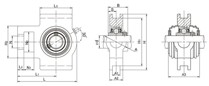
UCT210-30 Take Up Bearing Units Bearing Housing
Dimensions(mm)N119L216H283N249N29L386A116H1102H117L149A49A237L190B51.6S19A376
NAT210 Take Up Bearing Units Bearing Housing
Dimensions (mm)N119L216H283N249N29L386A116H1102H117L149A49A237L190B162.7s24.6