SSUEFL205-16ESB Stainless Mounted Bearing
Dimensions(mm)H130J99A216A113A28N12.5L68Z37.1B135.4S14.3
SSUCF205-16ESB Stainless Mounted Bearing
Dimensions(mm)L95J70A216A114.3A27N12z35.8B34.1S14.3
SSUCFL205-16ESB Stainless Mounted Bearing
Dimensions(mm)H130J99A216A113A28N12.5L68z35.8B34.1S14.3
SSUEF205-16ESB Stainless Mounted Bearing
Dimensions(mm)L95J70A216A114.3A27N12Z37.1B135.4S14.3
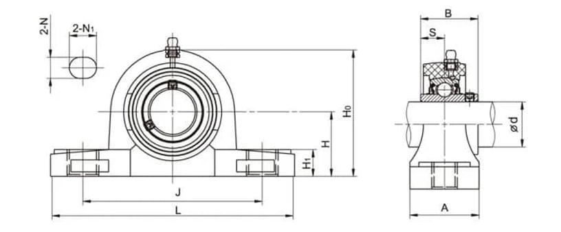
TP-SUCP212-36 Thermoplastic Housing Units
Dimensions(mm)H69.9L238J186A66N18N124H124Ho137B65.1S25.4
TP-SUCF212-36 Thermoplastic Housing Units
Dimensions(mm)L175J143A229Al19A48N17B65.1S25.4z68.7
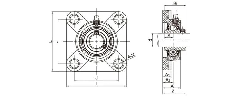
TP-SUCFL212-36 Thermoplastic Housing Units
Dimensions(mm)H250J202A229A120A48N18L140B65.1S25.4Z68.7
SAPP205-16 Stamped Housing Units
Dimensions(mm)L108J86H28.6H14Ho56.5N11.5A32d138.1B131.5S7.5