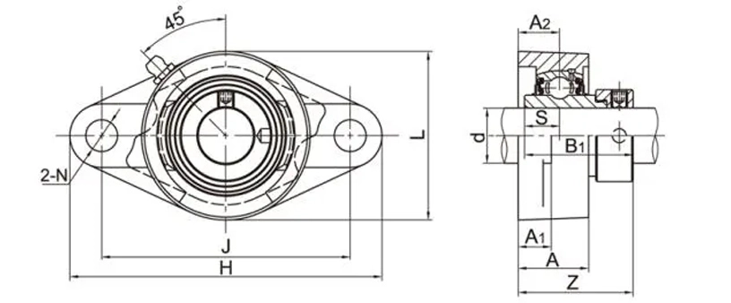
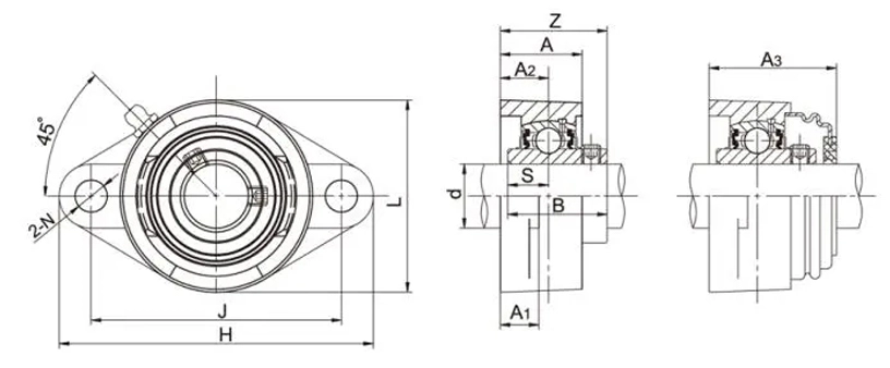
UCFL212 Flange Bearing Units 2 Bolt Bearing Housing
Dimensions(mm)H250J202A229A118A48N23L140B65.1S25.4Z68.7A373.5
NAFL211-35 Flange Bearing Units 2-Bolt Bearing Housing
Dimensions (mm)H224J184A225A118A43N19L125B171.4S27.8Z68.6F71
NAFLU211-35 Flange Bearing Units 2 Bolt Bearing Housing
Dimensions (mm)H217J184L128A231A121A48N18B171.4S27.7Z74.6
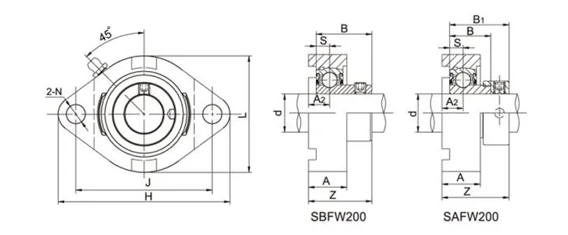
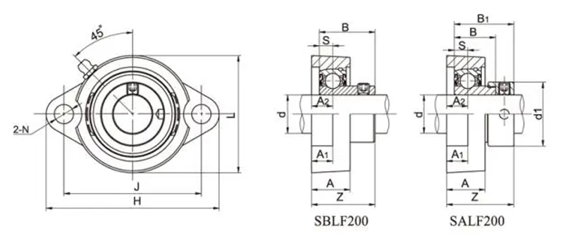
SALF206-18 Flange Bearing Units 2 Bolt Bearing Housing
Dimensions(mm)H113J90.5A212A112A22.5N12L76B135.7B23.8s8Z39.7d144.5
SAFW206-18 Flange Bearing Units 2 Bolt Bearing Housing
Dimensions(mm)H113J90A212A20.5N12L84B135.7B23.8S8Z39.7
SAFD206-19 Flange Bearing Units 2 Bolt Bearing Housing
Dimensions(mm)H113J90A212A20.5N12L84B135.7B23.8S8Z39.7
SAPFTD207-23 Flange Bearing Units 2 Bolt Bearing Housing
Dimensions (mm)H122.5J100L89A212.7A23.8A111.8N10.3s9.5B25.4B138.9Z41.2
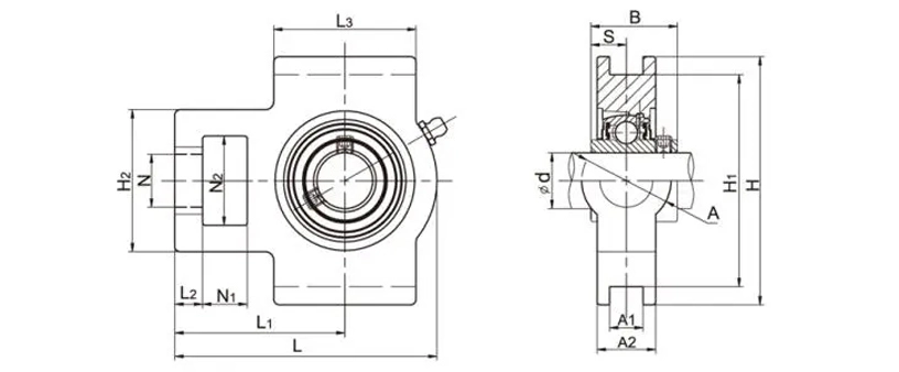
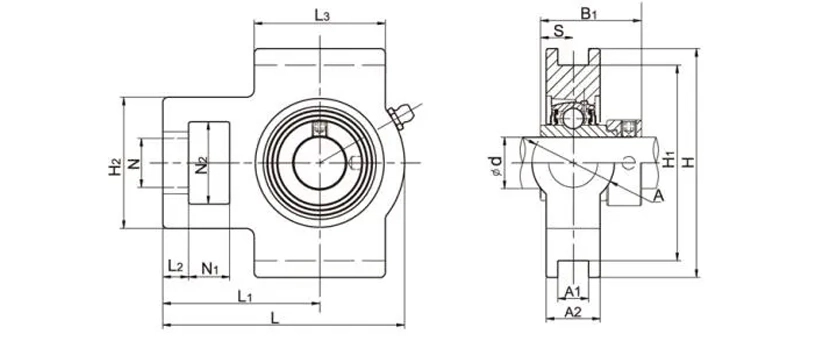
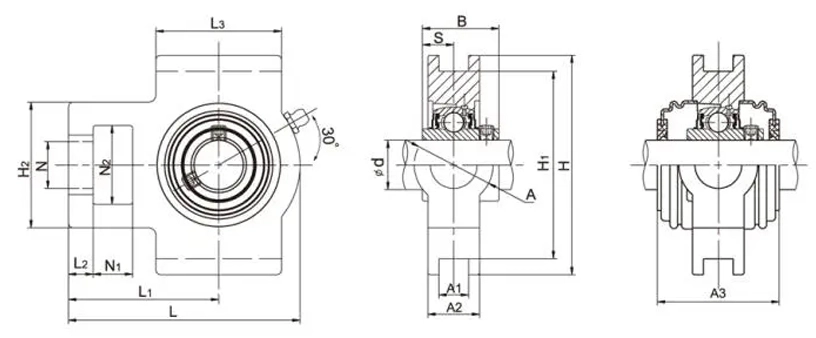
UCT212 Take Up Bearing Units Bearing Housing
Dimensions(mm)N132L219H2102N264N35L3102A122H1130H146L194A64A242L1119B65.1S25.4A389
NAT212 Take Up Bearing Units Bearing Housing
Dimensions (mm)N132L219H2102N264N35L3102A122H1130H146L194A64A242L1119B177.7s30.9
UCTX14-44 Take Up Bearing Units Bearing Housing
Dimensions (mm)N132L223H2111N270N41L3121A126H1151H167L232A70A248L1140B77.8s33.3
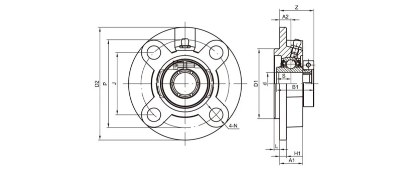
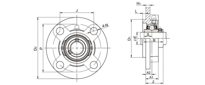
UCFC212-39 Flange Cartridge Bearing Units 4 Bolt Bearing Housing
Dimensions(mm)D2195P160J113.1A217N19L12H115A135D1135B65.1S25.4Z56.7
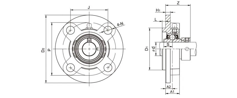
NAFC212 Flange Cartridge Bearing Units 4 Bolt Bearing Housing
Dimensions (mm)D2195P160J113.1A217N19L12H115A135D1135S31z63.8
UCFCX14-44 Flange Cartridge Bearing Units 4 Bolt Bearing Housing
Dimensions (mm)D2222P190J134.3A214N19L20H114A136D1164B77.8S33.3Z58.5
UCFCSX15-45 Flange Cartridge Bearing Units 4 Bolt Bearing Housing
Dimensions (mm)D2222.2P190.5J134.7A211.9N17.5L22.1H116A135D1161.925S33.3B82.6Z61.2
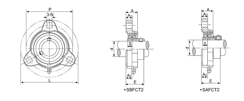
SAFCT207-23 Flange Mounted Bearings 3 Bolt Bearing Housing
Dimensions (mm)L122.5P100A112.7A23.8A212.7s10.3n9.5E42.1