What Materials are Used in Corrosion Resistant Bearings?
Corrosion resistant bearings are essential components in various industries where they operate in harsh environments, including chemical processing, marine applications, and food processing. These bea...
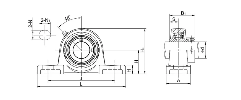
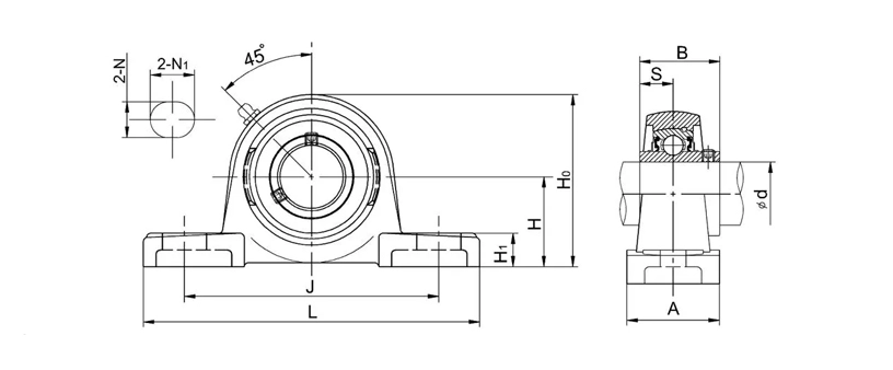
UCP211-34 Pillow Block Bearings 2 Bolt Bearing Housing
Dimensions (mm)H63.5L217J172A60N20N125H123Ho125B55.6S22.2A376
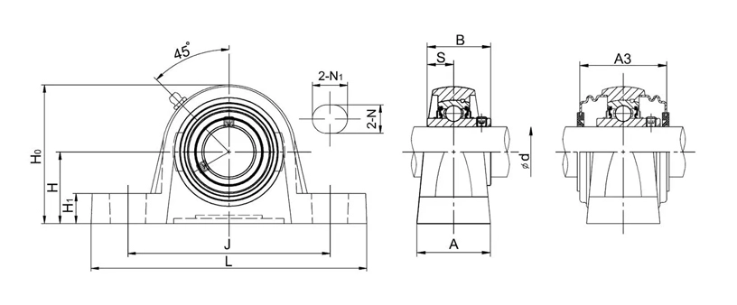
NAP213 Pillow Block Bearings 2 Bolt Bearing Housing
Dimensions (mm)H76.2L262J203A70N20N130H126Ho149B185.7S34.3
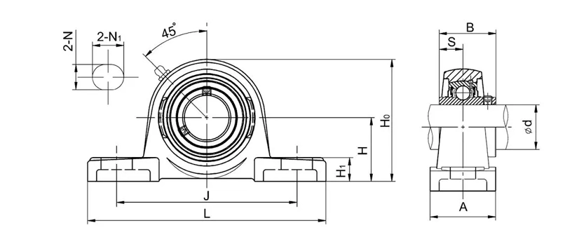
UCPX14-44 Pillow Pillow Block Bearings 2 Bolt Bearing Housing
Dimensions (mm)H88.9L330J229A89N27N130H134Ho170B77.8S33.3
UCPE212-39 Pillow Block Bearings 2 Bolt Bearing Housing
Dimensions (mm)H69.9L241J184A70N20N125H125Ho138B65.1S25.4A389
UCAK212-37 Pillow Block Bearings 2 Bolt Bearing Housing
Dimensions (mm)H68.3L241J190A64N20N124H129Ho138B65.1S25.4
SBLP207 Pillow Block bearings 2 Bolt Bearing Housing
Dimensions (mm)H47.6L165J127A35N14N121H116Ho93B32S9.5
UCPA212 Pillow Block Bearings 2 Bolt Bearing Housing Tapped Base
Dimensions (mm)H69.9L150J114A68G25H117Ho138MM16B65.1S25.4
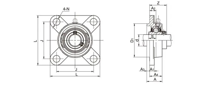
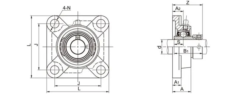
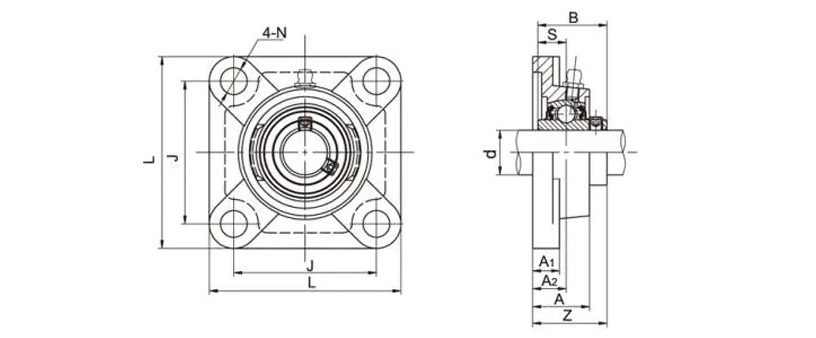
UCF212 Flange Bearing Units 4 Bolt Bearing Housing
Dimensions (mm)L175J143A229A120A48N19B65.1S25.4BZ68.7A373.5
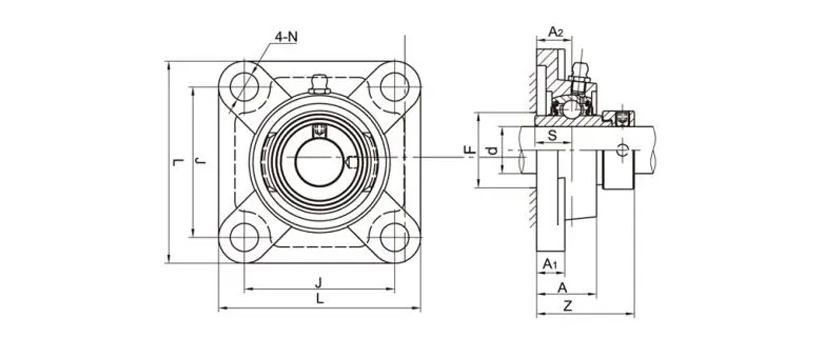
NAF212 Flange Bearing Units 4 Bolt Bearing Housing
Dimensions (mm)L175J143kz29A120A48N19S31Z75.8F78
UCFX14-44 Flange Bearing Units 4 Bolt Bearing Housing
Dimensions (mm)L197J152A237A124A60N23B77.8S33.3Z81.5
UCFS319-60 Flange Bearing Units 4 Bolt Bearing Housing
Dimensions (mm)L290J228A239A174A94H20H130N35D1250S41Z101
NAFS211-35 Flange Bearing Units 4 Bolt Bearing Housing
Dimensions (mm)L162J130A231A121A49N18B171.4S27.7Z74.6