SSUEFB207-23A Stainless Mounted Bearing
Dimensions(mm)Ho155.6H60.3J50.8j31.8A221A114.3A37.3N13L94.5P82.6B143.9S17.5Z47.4
WP-SSBP207-22 Waterproof Housing Units
Dimensions(mm)L167J126H47.6Ho98H120N14N124A38.6A121.3B32Z44.6A361
WP-SSBFL207-22 Waterproof Housing Units
Dimensions(mm)H163J130A219.5A126N11L93B32Z43A359
WP-SSBF207-22 Waterproof Housing Units
Dimensions(mm)H120J92A219.5A126N11B32Z45A359
TP-SUCP206-17 Thermoplastic Housing Units
Dimensions(mm)H42.9L163J119A46N14N118H118Ho84B38.1S15.9
TP-SUEP207-22 Thermoplastic Housing Units
Dimensions(mm)H47.6L168J127A48N14N118H118Ho94.5B143.9S17.5
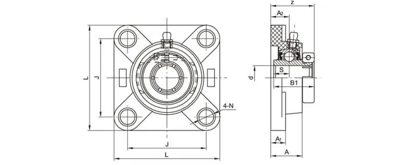
TP-SUCF206-17 Thermoplastic Housing Units
Dimensions(mm)L108J83A219.2Al14.3A31.5N11B38.1S15.9z41.4
TP-SUEF207-22 Thermoplastic Housing Units
Dimensions(mm)L118J92A221.5Al15.5A34.8N13B143.9S17.5z47.9
TP-SUCFL206-17 Thermoplastic Housing Units
Dimensions(mm)H148J117A219A114A31N11L80B38.1S15.9Z41.2
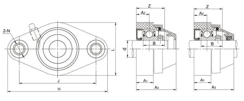
TP-SUCPA206-17 Thermoplastic Housing Units
Dimensions(mm)h42.9L95J66A48Ho84G12H116B38.1S15.9
TP-SUEPA207-22 Thermoplastic Housing Units
Dimensions(mm)H47.6L110J80A48H095G12H118B143.9S17.5MM10
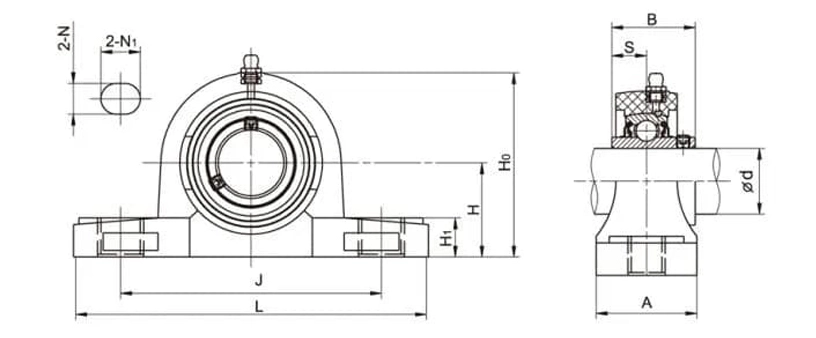
TP-SUCT206-17 Thermoplastic Housing Units
Dimensions(mm)L125A234.5A112L176H102H189MM16A40L363B38.1S15.9
TP-SUET207-22 Thermoplastic Housing Units
Dimensions(mm)L125A234.5A112L176H102H189MM16A40L363B143.9S17.5
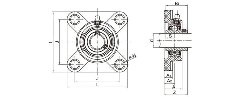
TP-SUCFB206-17 Thermoplastic Housing Units
Dimensions(mm)Ho139H52.4J47.6j31.8A222.9A114.5A35.4N11L83P76B38.1S15.9Z47.6
TP-SUEFB207-22 Thermoplastic Housing Units
Dimensions(mm)H0158H60.3J50.8j31.8A224.5A117A37.5N13L94P89B143.9S17.5Z50.9