E-mail Us

GX S Thrust Spherical Plain Bearings

gx s 1
gx s 2
gx s 3
gx s 4
gx s 1
  • Thrust Spherical plain bearing, metric size, requiring maintenance, LDK brand (logo could be customized)

  • Outer ring material: GCr15 bearing steel, hardened HRC 58-64, surface phosphated

  • Inner ring material: GCr15 bearing steel, hardened HRC 58-64, surface phosphated

  • Sliding contact surfaces: Steel/Steel

  • Outer ring has grease groove and lubrication holes.

  • Sliding surface treated with MoS2.

Diagram Specification Parameter
Inquiry Now
Mounted Bearings Rod End Bearings & Spherical Plain Bearings
Products

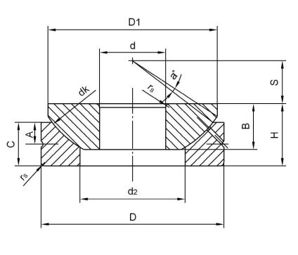
Diagram of GX S Thrust Spherical Plain Bearings

Diagram of  GX S Thrust Spherical Plain Bearings


Products

Specifications of GX S Thrust Spherical Plain Bearings

Bearing No.Dimensions(mm)Load ratings
KN
a0
Weight
≈ kg
dDHBCdkd2
min
D1
max
ASrsDynamicStatic
GX10S10309.57.573215.527.5370.62713690.036
GX12S1235139.59.3381832480.63718880.072
GX15S1542151110.84622.5395100.65326780.108
GX17S17471611.811.2522743.55110.661311100.137
GX20S20552014.513.8603150612.518442590.246
GX25S256222.516.516.76834.558.5614113467270.415
GX30S3075261919824270817.5118290970.614
GX35S3590282220.79850.5848221266133080.973
GX40S40105322721.51145997924.51357181091.59
GX45S4512036.53125.5128671101127.51486247092.24
GX50S5013042.53330.51397012010301554281073.14
GX60S601504537341608414012.5351748382084.63
GX70S70160504236.517694.515313.5351902461085.37
GX80S801805043.538197107.517214.542.511110570086.91
GX100S10021059514622212719815451.113006470810.9
GX120S1202306453.55025014522016.552.51.115307580613.9
GX140S1402607261542741772432352.51.518209040618.1
GX160S16029077665831320027123651.5210010440723.2
GX180S1803208674623402252992667.51.5243012070830.9
GX200S20034087806636524732027701.5307015280834.2


Products

Parameter Table of GX S Thrust Spherical Plain Bearings

Bearing:Thrust Spherical plain bearingMaintenance:Requiring maintenance
Brand:LDK brandCustomized:Yes
Outer ring material:GCr15 bearing steelOuter ring surface:Phosphated, treated with MoS2
Inner ring material:GCr15 bearing steelInner ring surface:Phosphated, treated with MoS2
Sliding contact:Steel/Steel

Others:Outer ring has grease groove and lubrication holes.



contact
Get in Touch With LDK Bearings Now!

Kenneth Zhang: 19959266209 

Benjamin Zhang: 13906058255 

Jacy Lin: 15959344117 

Spring Zhang: 18206090020

Contact Us

Kenneth.zhang.2008
sales@ldk-bearing.com
benjamin@ldk-bearings.com
Request a Quote
OEM
Distributor
Resale
End user
Engineering information
Environment
Bearing loads
Static
Constant
Alternating
Dynamic
STAY UP TO DATE
By providing your email, you agree to the Privacy Poicy. You may unsubscribe at any time.
Xipu Industry Park, Luojiang District, Quanzhou, Fujian, P.R. China
sales@ldk-bearing.com 86-592-5807618
We use cookies on this site, including third party cookies, to delivery experiennce for you.
Accept Cookies
Read Privacy Policy