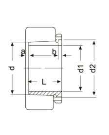
Because they can be used on both plain and stepped shafts, adapter sleeves are the most widely used parts for locating bearings with a tapered bore onto a cylindrical seat.
They don't need to be placed anywhere else on the shaft and are simple to install. The bearing can be positioned anywhere on a plain shaft when using it. when combined with an L-shaped spacer ring and used on stepped shafts.Accurate axial positioning of the bearing makes installation and unmounting the bearing easier.
